-
覆膜砂工藝鑄造閥體
口徑,標準,壓力,般德logo等鑄字清晰,美觀大方。
-
球墨鑄鐵實心閥體
QT450-10球鐵閥體、球化率3 級,抗拉強度450Mpa,延展率10%以上。相同厚度情況下,抗拉強度是灰鐵體的2倍,可適用的工作壓力更高。
-
高彈性閥座橡膠
閥座橡膠含膠率50%,經仿真啟閉實驗1萬次以上,無泄漏。
-
阿克蘇環氧塑粉
閥體噴涂采用阿克蘇的環氧樹脂塑粉,附著力強,劃格法0-1級通過;沖擊強度高,50kg?cm正沖通過;耐候性好,戶內戶外均可使用。
-
POF熱縮膜獨立包裝
DN200以下口徑采用POF熱縮膜膜獨立包裝,DN250以上采用氣泡袋或纏繞膜包裝,內置干燥劑,防潮、防淋、隔灰塵。
-
不銹鋼螺栓
螺栓采用不銹鋼材質,穩定可靠,防銹能力強。
-
304不銹鋼標牌
304標牌,激光刻標,字跡清晰,存留時間長。不銹鋼鉚釘固定,外觀美觀,連接牢靠。
-
產品可追溯
每一臺般德產品都有專屬的ID編號。
-
可提供試壓報告
所有般德的產品,均可提供出廠試壓報告。
產品優點
產品介紹
D71X-16Q-DN65對夾蝶閥是般德閥門公司生產制造的新型蝶閥,運用了國內外先進的生產制造工藝。該產品結構簡單、小巧輕便、流阻小、密封性能好、人性化操作程度高、使用壽命長,是小口徑管道上用于調節、截斷介質流通的產品。D71X軟密封對夾蝶閥自投入市場以來,廣泛應用于排水,發電,石油,化工等工程系統中,贏得了客戶的好評。
產品參數
D71X軟密封對夾蝶閥參數信息
| 執行標準 | 名稱 | 設計及制造 | 結構長度 | 試壓標準 | 上法蘭尺寸 | 側法蘭尺寸 | |||||||||
| 參照標準 | GB/T 12238-2008 | GB/T 12221-2008 | GB/T 13927-2008 | ISO 5211 | CLASS150/PN6/PN10/PN16/ 5K/10K/TABLE D/TABLE E |
||||||||||
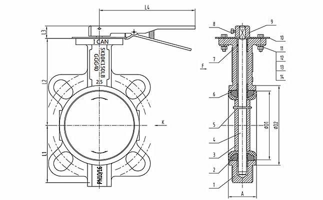
| 零部件信息 | 名稱 | 1-閥體 | 2-閥座 | 3-蝶板 | 4-閥軸 | 5-圓錐銷 | 6-襯套 | 7-O型圈 | 8-六角螺栓 | 9-手柄 | 10-齒盤 | 11-六角螺栓 | 12-彈簧墊片 | 13-螺母 | 14-平墊 |
| 材質 | DI | EPDM | DI鍍鎳 | 45#鍍鋅 | SS416 | 高分子復合材料 | NBR | SS304 | KT300 | Q235鍍鋅 | SS304 | SS304 | SS304 | SS304 | |
| 尺寸信息 | DN | NPS(英寸) | A | D1 | D2 | L1 | L2 | L3 | L4 | B | 上法蘭 | ||||
| DN50 | 2" | 43 | 73.3 | 92.3 | 75 | 129 | 24 | 220 | 9 | F05 | |||||
| DN65 | 2.5" | 46 | 86 | 107 | 82 | 136 | 24 | 220 | 9 | F05 | |||||
| DN80 | 3" | 46 | 100.9 | 122 | 99 | 153 | 24 | 220 | 9 | F05 | |||||
| DN100 | 4" | 52 | 132 | 153 | 110 | 167 | 24 | 250 | 11 | F07 | |||||
| DN125 | 5" | 56 | 156 | 179 | 125 | 193 | 24 | 250 | 14 | F07 | |||||
| DN150 | 6" | 56 | 185.4 | 208.4 | 145 | 209 | 24 | 302 | 14 | F07 | |||||
| DN200 | 8" | 60 | 235.2 | 262.3 | 170 | 251 | 30 | 360 | 17 | F10 | |||||
產品專利
新型蝶閥閥體專利 CN201520267217.9
般德閥門專利閥體,蝶閥閥體能適用于主要工業國家對管道側法蘭的規定安裝,增加了蝶閥的適用范圍。
蝶閥外觀專利 CN201830771212.9
采用般德閥門專利閥體外觀。
語言:簡體中文
English
Русский
簡體中文










