-
碳素鋼主體
主體采用高品質碳素鋼,材質成分性能達標;
-
不銹鋼濾網
濾網采用不銹鋼304材質,耐腐蝕耐用;
-
焊縫牢固
焊接采用機器人自動焊接一次成型,焊縫平整牢固;
-
濾網數可定制
濾網目數可根據客戶需要定制;
-
墊片密封性好
采用柔性石墨密封墊片,耐高溫密封性好;
-
出廠前試壓
每臺產品出廠前均按國家標準試壓檢測。
-
-
-
產品優點
產品介紹
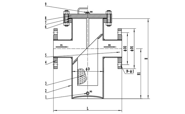
籃式過濾器主要由接管、主管、濾籃、法蘭、法蘭蓋及緊固件等組成。當介質通過主管進入濾籃后,固體雜質顆粒被阻擋在濾籃內,而潔凈的流體通過濾籃,由過濾器出口排出。當需要清洗時,旋開主管底部螺塞,排凈流體,拆卸法蘭蓋,清洗后重新裝入即可。因此,使用維護極為方便。
產品參數
| 名稱 | 設計及制造 | 試壓標準 | 法蘭標準 |
| 參照標準 | SH/T 3411-2017 | GB/T 13927-2008 | HG/T 20592-2009 |
| 名稱 | 1-排污口 | 2-筒體 | 3-濾網 | 7-墊片 |
| 材質及說明 | Q235 | Q235 | 304 | 柔性石墨 |
| DN | NPS | L | H | H1 | ΦD | ΦD1 | ΦD2 | n-ΦI |
| 15 | 1/2'' | 180 | 260 | 160 | 76 | 95 | 65 | 4-14 |
| 20 | 3/4'' | 180 | 260 | 160 | 76 | 105 | 75 | 4-14 |
| 25 | 1'' | 180 | 260 | 160 | 76 | 115 | 85 | 4-14 |
| 32 | 1 1/4'' | 200 | 270 | 160 | 76 | 140 | 100 | 4-18 |
| 40 | 1 1/2'' | 260 | 300 | 170 | 108 | 150 | 110 | 4-18 |
| 50 | 2'' | 260 | 300 | 170 | 108 | 165 | 125 | 4-18 |
| 65 | 2 1/2'' | 330 | 360 | 240 | 133 | 185 | 145 | 8-18 |
| 80 | 3'' | 340 | 400 | 250 | 159 | 200 | 160 | 8-18 |
| 100 | 4'' | 400 | 470 | 300 | 219 | 220 | 180 | 8-18 |
| 125 | 5'' | 480 | 550 | 360 | 273 | 250 | 210 | 8-18 |
| 150 | 6'' | 500 | 630 | 420 | 273 | 285 | 240 | 8-22 |
| 200 | 8'' | 560 | 780 | 530 | 325 | 340 | 295 | 12-22 |
| 250 | 10'' | 660 | 930 | 640 | 426 | 405 | 355 | 12-26 |
| 300 | 12'' | 750 | 1200 | 840 | 457 | 460 | 410 | 12-26 |
| 350 | 14'' | 810 | 1370 | 920 | 508 | 520 | 470 | 16-26 |
| 400 | 16'' | 900 | 1500 | 950 | 559 | 580 | 525 | 16-30 |
語言:簡體中文
English
Русский
簡體中文












