-
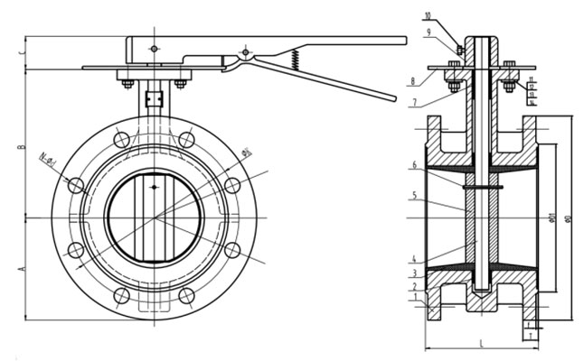
球墨鑄鐵閥體
閥體球墨鑄鐵QT450-10材質,球化率3級,抗拉強度450MPa,延展率10%以上,可提供材質報告;
-
實心重體
閥體是實心重體,閥體毛坯重量比市場普通閥體重35%左右;
-
橡膠閥座彈性好
高彈性橡膠閥座,含膠率50%,拉伸強度16.1MPa,經仿真啟閉實驗1萬次以上無泄漏;
-
閥軸密封好
閥軸由4道無油軸承支撐,3道O型環密封圈密封,扭矩較小,密封可靠;
-
球墨鑄鐵手柄
手柄采用球鐵材質,彈簧、銷子材質均為304不銹鋼,抗腐蝕強,更耐用,半圓形握把兒,無棱角,手感好;
-
阿克蘇環氧樹脂塑粉噴涂
閥體噴涂采用世界品牌阿克蘇環氧樹脂塑粉,附著力強,耐候性好,噴涂厚度250μm;
-
出廠前試壓
每臺閥門出廠前均按照國家標準進行試壓檢測,確保合格。
-
-
產品優點
產品介紹
手柄法蘭蝶閥D41X-16Q結構簡單、體積小、重量輕,只由少數幾個零件組成。而且只需旋轉90°即可快速啟閉,操作簡單,同時該閥門具有良好的流體控制特性。蝶閥處于完全開啟位置時,蝶板厚度是介質流經閥體時唯一的阻力,因此通過該閥門所產生的壓力降很小,故具有較好的流量控制特性。適用于公稱壓力≤1.6MPa,公稱通徑小于DN200的各種水、油、氣等介質的管道上。
產品參數
| 名稱 | 設計與制造標準 | 結構長度 | 試壓標準 | 側法蘭尺寸 | ||||
| 參照標準 | GB/T 12238 | GB/T 12221 | GB/T 13927 | GB/T 17241.6 | ||||
| 名稱 | 1-閥體 | 3-閥座 | 5-蝶板 | 9-手柄 | ||||
| 材質及說明 | QT450-10 | EPDM | QT450-10 | 球墨鑄鐵 | ||||
| 公稱尺寸 | L | PN10/16 | ||||||
| DN | NPS | A | B | C | ΦD | ΦK | N-Φd | |
| 50 | 2'' | 108 | 69.5 | 126.5 | 32 | 165 | 125 | 4-19 |
| 65 | 2 1/2'' | 112 | 72 | 136 | 32 | 185 | 145 | 4-19 |
| 80 | 3'' | 114 | 88 | 146 | 32 | 200 | 160 | 8-19 |
| 100 | 4'' | 127 | 96.5 | 158 | 32 | 220 | 180 | 8-19 |
| 125 | 5'' | 140 | 115 | 179 | 32 | 250 | 210 | 8-19 |
| 150 | 6'' | 140 | 126 | 197 | 32 | 285 | 240 | 8-23 |
| 200 | 8'' | 152 | 161 | 230 | 45 | 340 | 295 | 8/12-23 |
語言:簡體中文
English
Русский
簡體中文












