-
全焊接閥體
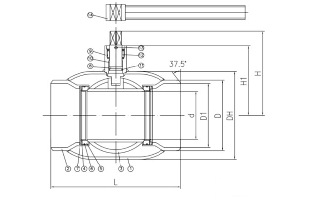
閥體采用全焊接結構,不會有外部泄漏等現象,閥門結構緊湊,便于施工安裝;
-
進口原材料
閥座和O型圈全部采用進口原材料,自潤滑性能優異,摩擦系數低,結構密度高,抗老化性能好;
-
防吹出結構
閥軸采用防吹出結構,中軸和中軸密封系統可更換;
-
雙密封設計
密封采用單側雙密封設計(雙側四重密封),大大增加了閥門的使用壽命;
-
雙層壓力檢測
每臺閥門出廠均按照國家標準做殼體、密封雙層壓力檢測。
-
-
-
-
產品優點
產品介紹
般德全焊接球閥Q61F-25C,產品配置:閥體:20#,球體:304,密封:PTFE,閥桿:2Cr13。主要應用領域包括:市政建設、集中供熱、煤氣管道等。
產品參數
| 執行標準 | 名稱 | 設計及制造 | 結構長度 | 試壓標準 | 對焊端部尺寸 | ||||
| 參照標準 | GB/T 19672 ASME B16.34 |
GB/T 12221 ASME B16.10 |
GB/T 13927 API 598 |
GB/T 12224 ASME B16.25 |
|||||
| 主要零部件信息 | 名稱 | 1-閥體 | 3-球體 | 5-閥座密封 | 8-閥桿 | 14-驅動 | |||
| 材質及說明 | 20# | 304 | PTFE | 2Cr13 | 手柄/蝸輪 | ||||
| 尺寸信息 | DN | NPS | L | d | D1 | D | H | ||
| 25 | 1'' | 230 | 20 | 25 | 34 | 81 | |||
| 32 | 1 1/4'' | 260 | 25 | 32 | 42 | 83.5 | |||
| 40 | 1 1/2'' | 260 | 32 | 38 | 48 | 101.5 | |||
| 50 | 2'' | 300 | 40 | 48 | 60 | 129 | |||
| 65 | 2 1/2'' | 300 | 50 | 60 | 76 | 155 | |||
| 80 | 3'' | 300 | 65 | 73 | 89 | 169.5 | |||
| 100 | 4'' | 325 | 80 | 98 | 114 | 178.5 | |||
| 125 | 5'' | 325 | 100 | 125 | 141 | 194.5 | |||
| 150 | 6'' | 350 | 125 | 143 | 159 | 215 | |||
| 200 | 8'' | 400 | 150 | 199 | 219 | 269.5 | |||
| 250 | 10'' | 560 | 200 | 253 | 273 | 305.5 | |||
| 300 | 12'' | 635 | 250 | 298 | 325 | 370 | |||
| 350 | 14'' | 762 | 300 | 350 | 377 | 404 | |||
語言:簡體中文
English
Русский
簡體中文












