手動蝶閥是使用范圍最廣,數量最多的蝶閥產品,手動蝶閥顧名思義,就是蝶閥的開啟和關閉需要人工手動操作來實現,這也是手動蝶閥區別于氣動、電動蝶閥這類自動閥門的地方。手動蝶閥按照驅動形式往下細分,還可以分為手柄蝶閥和渦輪蝶閥。這篇文章我們來看一看手動蝶閥的尺寸和規格。
上面已經提到,手動蝶閥可以分為手柄蝶閥和渦輪蝶閥兩種。所以對于手動蝶閥的尺寸和規格,我們也從這兩種分開來說。以般德閥門的手柄對夾蝶閥和渦輪對夾蝶閥為例,說一下手動蝶閥的尺寸和規格。
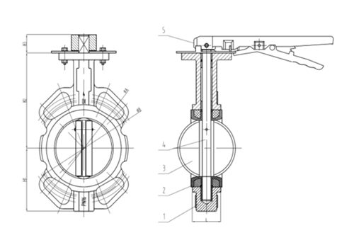
般德手柄對夾蝶閥尺寸規格

| DN | NPS(英寸) | H1 | H2 | H3 | ∅A | ∅B | L |
| 40 | 1.5" | 65 | 128 | 32 | 110 | 95 | 33 |
| 50 | 2" | 75 | 129 | 32 | 125 | 105 | 43 |
| 65 | 2.5" | 82 | 136 | 32 | 145 | 127 | 46 |
| 80 | 3" | 99 | 153 | 32 | 160 | 145 | 46 |
| 100 | 4" | 110 | 167 | 32 | 190.5 | 165 | 52 |
注:以上為產品部分參數信息,如需完整參數信息,請點擊在線客服進行咨詢。
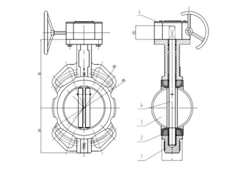
般德渦輪對夾蝶閥尺寸規格
| DN | NPS(英寸) | H1 | H2 | H3 | ∅A | ∅B | L |
| DN50 | 2" | 75 | 129 | 32 | 125 | 105 | 43 |
| DN65 | 2.5" | 82 | 136 | 32 | 145 | 127 | 46 |
| DN80 | 3" | 99 | 153 | 32 | 160 | 145 | 46 |
| DN100 | 4" | 110 | 167 | 32 | 190.5 | 165 | 52 |
| DN125 | 5" | 125 | 193 | 32 | 216 | 200 | 56 |
| DN150 | 6" | 145 | 209 | 32 | 241.3 | 225 | 56 |
注:以上為產品部分參數信息,如需完整參數信息,請點擊在線客服進行咨詢。
以上就是手動蝶閥尺寸和規格介紹。般德閥門,高品質的手動蝶閥生產廠家,歡迎廣大朋友前來詢價洽談合作。
上一篇:蝶式止回閥結構及特點
下一篇:手動蝶閥種類及品牌介紹
語言:簡體中文
English
Русский
簡體中文









