法蘭蝶閥結構尺寸表
發布時間:2021-11-29 16:00:57
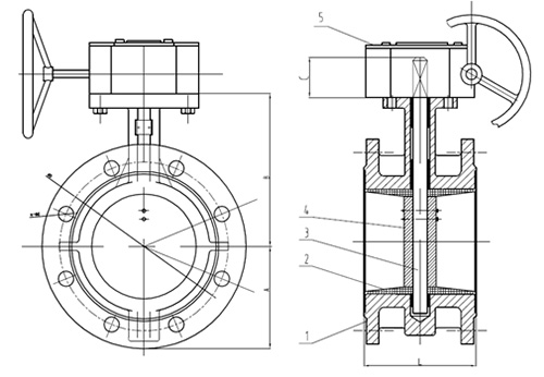
本文來說一說法蘭蝶閥結構尺寸。法蘭蝶閥是法蘭式連接閥門的一種,而常見的法蘭連接閥門除了法蘭蝶閥之外,還有法蘭閘閥、法蘭截止閥、法蘭球閥等等。相比較其他的法蘭式閥門,法蘭蝶閥的體積更小、重量更輕,很適合做大口徑的閥門。另外,法蘭蝶閥根據結構形式的不同,還可以分為中線式、雙偏心、三偏心結構,多樣的結構形式,使得法蘭蝶閥能跟適應更多的各種各樣的工況環境,既可以調節流量,又能夠做截斷用。
常見的法蘭蝶閥有:法蘭中線蝶閥、法蘭雙偏心蝶閥、法蘭三偏心蝶閥,這三種蝶閥的結構形式有所差別,但它們都有相同的結構長度。
法蘭中線蝶閥結構尺寸表

| DN | A | B | C | L |
| DN50 | 69.5 | 126.5 | 32 | 108 |
| DN65 | 72 | 136 | 32 | 112 |
| DN80 | 88 | 146 | 32 | 114 |
| DN100 | 96.5 | 158 | 32 | 127 |
| DN125 | 115 | 179 | 32 | 140 |
| DN150 | 126 | 197 | 32 | 140 |
| DN200 | 161 | 230 | 45 | 152 |
| DN250 | 199 | 271 | 45 | 165 |
| DN300 | 215 | 305 | 45 | 178 |
法蘭雙偏心蝶閥結構尺寸表

| DN | L | A | B | C |
| 50 | 108 | 165 | 125 | 99 |
| 65 | 112 | 185 | 145 | 118 |
| 80 | 114 | 200 | 160 | 132 |
| 100 | 127 | 220 | 180 | 156 |
| 125 | 140 | 250 | 210 | 184 |
| 150 | 140 | 285 | 240 | 211 |
| 200 | 152 | 340 | 295 | 266 |
| 250 | 165 | 405 | 355 | 319 |
| 300 | 178 | 460 | 410 | 370 |
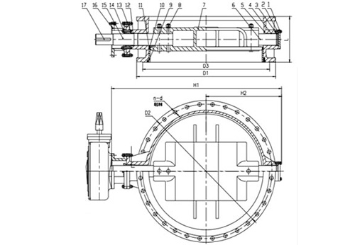
法蘭三偏心蝶閥結構尺寸表

| DN | L | D2 | n-d |
| 100 | 127 | 180 | 8-φ19 |
| 125 | 140 | 210 | 8-φ19 |
| 150 | 140 | 240 | 8-φ22 |
| 200 | 152 | 295 | 12-φ22 |
| 250 | 165 | 355 | 12-φ28 |
| 300 | 178 | 410 | 12-φ28 |
| 350 | 190 | 470 | 16-φ28 |
| 400 | 216 | 525 | 16-φ31 |
| 450 | 222 | 585 | 20-φ31 |
結構尺寸僅供參考,詳情咨詢般德閥門客服人員。












