首頁 > 新聞中心 > 氣動蝶閥型號尺寸怎么看
氣動蝶閥型號尺寸怎么看
發布時間:2020-02-05 14:36:19
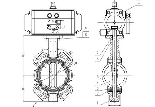
氣動蝶閥型號
借助壓縮空氣驅動的蝶閥,我們叫它氣動蝶閥。氣動蝶閥用途廣泛,可用于控制空氣、水、蒸汽、各種腐蝕性介質、泥漿、油品、液態金屬和放射性介質等各種類型流體的流動。
氣動蝶閥對空氣質量要求特別高,因此選用氣動蝶閥時還需要各種附件,如空氣過濾減壓閥、氣動電磁閥、定位器等,前者的作用是過濾空氣中雜質以及水分,后者的作用是控制執行機構的的開和關。
市場上來說,軟密封蝶閥選用氣動裝置的居多,所以我們以軟密封氣動蝶閥為例,常見氣動蝶閥型號有:
氣動蝶閥對夾鏈接:D671X-10/16、D671F-10/16;
氣動蝶閥法蘭鏈接:D641X-10/16、D641F-10/16.
氣動蝶閥尺寸
我們以D671X-10/16氣動對夾蝶閥為例,為您介紹氣動蝶閥尺寸,其他氣動蝶閥型號尺寸,您可以點擊“氣動蝶閥”產品欄目查看。

| 尺寸信息 | DN | NPS(英寸) | H1 | H2 | H3 | ∅A | ∅B | L |
| DN50 | 2" | 75 | 129 | 32 | 125 | 105 | 43 | |
| DN65 | 2.5" | 82 | 136 | 32 | 145 | 127 | 46 | |
| DN80 | 3" | 99 | 153 | 32 | 160 | 145 | 46 | |
| DN100 | 4" | 110 | 167 | 32 | 190.5 | 165 | 52 | |
| DN125 | 5" | 125 | 193 | 32 | 216 | 200 | 56 | |
| DN150 | 6" | 145 | 209 | 32 | 241.3 | 225 | 56 | |
| DN200 | 8" | 170 | 251 | 40 | 298.4 | 280 | 60 | |
| DN250 | 10" | 210 | 280 | 45 | 361.9 | 350 | 68 |
以上為部分氣動蝶閥尺寸信息,更多詳細參數請咨詢在線客服。












